PWM控制型IGBT的EMI机理与抑制方法

2021-01-20

PWM控制型IGBT的EMI机理与抑制方法

PWM控制型IGBT工作在斩波模式,使得IGBT本身自带干扰源属性,自扰与互扰系统中的其他设备。随着近几年功率半导体器件的发展,像SICGAN等半导体器件的出现,提升开关速率降低了损耗,但却带来了EMI的巨大挑战。以三相AC380V输入驱动器的轻载低频运行为例,其整流母线电压为DC513V左右,Vceturn on/off时间达到了ns级,产生dv/dt约为几KV/us ~几十KV/usdv/dt在回路中产生的共模噪声电流为几十A甚至100A以上,严重干扰周围设备,仅从路径上去抑制,需要付出巨大的滤波成本,所以IGBTEMI抑制一直是业界的关注点。

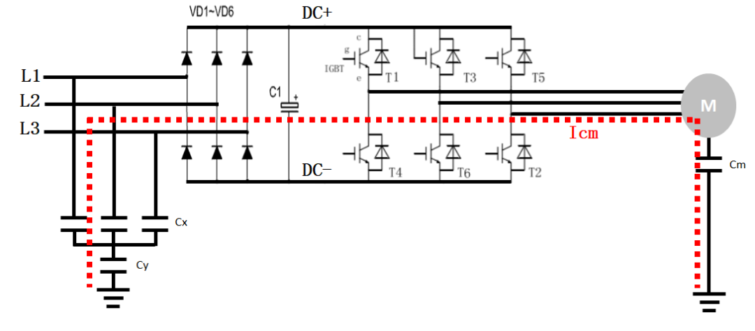
1. 驱动器共模噪声的回路示意图

图片

干扰路径示意图

图片

2 Cm测量示意图

滤波电容:X电容CxY电容Cy分布电容:以电机绕组与机壳地分布电容Cm为主,其他分布电容未画出。共模噪声电流:Icm

2. 驱动器噪声电流及场强估算

示例:Cx=1ufCy=0.1ufCm=10nfVdc=500VTr=50ns,电机线长度1m

1) Icm估算  Icm = C回路*dV/dt = 100A; 注:上式中C回路 ≈ Cm

图片

3 Icm电流波形示意图

2) 3m远处共模辐射场强估算 图片  ≈90dB(uv/m)

其中     E:电场强度(V/m)   f :电流的频率(MHz)   L:电缆的长度(m)   I :电流的强度(mA)   r :测试点到电流环路的距离(m)

由估算结果可知,共模电流峰值达到了百安级,3m远处电场强度达到了90dB,在产品认证及实际应用中需要付出更多的抑制代价。


三、原理分析

1. 驱动器共模噪声机理分析[1-3]

图片

a 共模电压等效简化电路

图片

b Vcm共模电压波形示意图

三相PWM脉冲之和不为0而形成的四电平阶梯波是产生驱动器共模干扰的本质原因。共模电压:图片 

改变Vce的高频部分的频谱特性有二种方法:1) 改变幅值 BA,使得f3f1偏移2) 改变turn on/off时间

在实际应用中很难去改变幅值,所以把改变Vce频率特性的重任交给了turn on/off时间(也就是改变Vcedv/dt)。

dv/dt在线调整控制

因电机负载的电感特性,使得IGBT开关动作时,电流不会立即降为零,需要等到CE两级的载流子逐渐消失后,才能彻底的关断,电感中的电流变化影响着IGBTturn onturn off时间。线调整控制的本质是找到dv/dt与输出电流的周期性变化规律,从而设计出适合的驱动参数,使得EMI与损耗最优化。实际测试中也发现dv/dt与驱动参数及输出电流大小等因素相关。

◆驱动器不接电机,dv/dt测量很稳定,在不同运行频率下测得的结果都一样;

◆驱动器接电机(空载与加载),dv/dt随电流的变化而变化。在相同的IGBTg极驱动参数下,电流越大dv/dt越小。

dv/dt在线调整控制的优点:

dv/dt在整个周期内为满足EMI需求的最大值,大大减小了开关损耗,最优化EMI与损耗的设计;

◆不需要在IGBTE级上串如电感,而引发的谐振风险;

G级驱动部分,有以下两种实现方法:◆采用不同的驱动参数组合;◆采用栅极电流控制芯片。2) 负面影响:增加控制电路与电流检测电路,成本增加,控制稍复杂。3) 应用场合:通用。

针对PWM控制型IGBTdv/dt优化,提出了 Vce边沿交错控制方法和dv/dt在线调整控制两种设计方向,工程师可根据设计需求进行细节方案优化与方案落地。

总结:1.三相PWM脉冲之和不为0是产生驱动器共模干扰的本质原因;2.IGBT 的高频EMI抑制即为dv/dt抑制;3.了解驱动器发波过程,避免边沿叠加产生更大的dv/dt;4.权衡dv/dt与开关损耗,设计不能只考虑单一因素